MITSUMI ONLINE专题产品目录公司概要首页
0
产品介绍 产品一览
0
 光学读取头
分量
PVR-502W
光学读取头
HTML详细资料PDF商品目录|外形图|
0
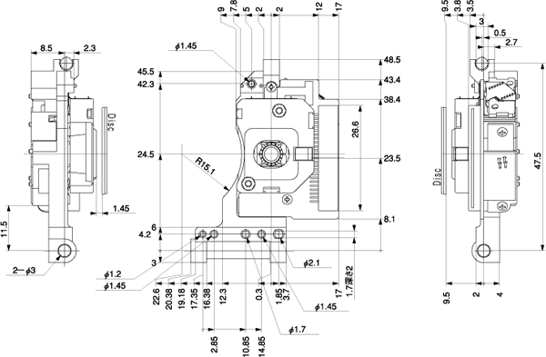
【外形图】
外形图
Unit:mm
0

返回页首
至前页
All Rights Reserved, Copyright MITSUMI ELECTRIC CO.,LTD.